首页 > 新闻中心 > 服务支持<

服务支持
直流高压发生器的操作流程
时间:2020-09-05

 直流高压发生器是发生器适用于各种电力部门、企业动力部门对氧化锌避雷器、电力电缆、发电机、变压器、开关等设备进行直流高压试验和泄漏 电流试验的电力设备,是根据新的中国电力行业标准DL/T848.1-2004《直流高压发生器通用技术条件》设计制造的新一代便携式直流高压试验器。具有重量轻,体积小,操作方便的特点,下面就直流高压发生器操作步骤做出如下讲解:

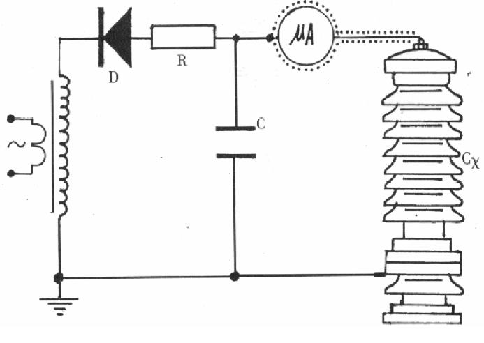
如做容性负载时,应接入限流电阻

1.试验器在使用前应检查其完好性,中试控股联接电缆不应有断路和短路,设备无破裂等损坏。

2.将机箱、倍压筒放置到合适位置分别联接好电源线、电缆线和接地线,保护接地线与工作接地线以及放电棒的接地线均应单独接到试品的地线上(即一点接地)。严禁各接地线相互串联。为此,应使用DHV专用接地线。

3.电源开关放在关断位置并检查调压电位器应在零位。过电压保护整定值一般为试验电压的1.1倍。

4.空载升压验证过电压保护整定是否灵敏。

5.接通电源开关,此时红灯亮,表示电源接通。

6.按绿色按钮,则绿灯亮,表示高压接通。

7.顺时针方向平缓调节调压电位器,输出端即从零开始升压,升至所需电压后,按规定时间记录电流表读数,并检查控制箱及高压输出线有无异常现象及声响。

8.降压,将调压电位器回零后,随即按红色按钮,切断高压并关闭电源开关。

9.对试品进行泄漏及直流耐压试验。中试控股在进行检查试验确认试验器无异常情况后,即可开始进行试品的泄漏及直流耐压试验。将试品、地线等联接好,检查无误后即打开电源。

10.升压至所需电压或电流。升压速度以每秒3—5kV试验电压为宜。对于大电容试品升压时还需监视电流表充电电流不超过试验器的最大充电电流。对小电容试品如氧化锌避雷器、磁吹避雷器等先升至所需电压(电流)的95%,再缓慢仔细升至所需的电压(电流)。然后从数显表上读出电压(电流)值。如需对氧化锌避雷器进行0.75UDC—1mA测量时,先升至UDC1mA电压值,然后按下黄色按钮,此时电压即降至原来的75%,并保持此状态。此时可读取电流。测量完毕后,调压电位器逆时针回到零,按下绿色按钮。需再次升压时按绿色按钮即可。必要时用外接高压分压器比对控制箱上的电压。

11.试验完毕,降压,关闭电源。

12.几种测量方法

a.一般测量时,当接好线后,先把联接试品的线悬空,中试控股升到试验电压后读取空试时的电晕和杂散电流I,然后接上试品升到试验电压读取总电流Ⅰ1;试品泄漏电流:Io=Ⅰ1—I’

b.当需要精确测量被试品泄漏电流时,则应在高压侧串入高压微安表(见下图)

中试控股编辑


微安表必须有金属屏蔽,应采用屏蔽线与试品联接。高压引线的屏蔽引出应与仪表端的屏蔽紧密联接。如果试品表面污秽要排除试品表面泄漏电流的影响可在试品高电位端用裸金属软线紧密绕几圈后与高压引线的屏蔽相联接(见下图)。

中试控股编辑


c.对氧化锌、磁吹避雷器等试品接地端可拆开的情况下,也可采用在试品的底部(地电位侧)串入电流表进行测量的方式。 当要排除试品表面泄漏电流的影响,可用软的裸铜线在试品地电位端绕上几圈并与屏蔽线的屏蔽相联接(见下图)

中试控股编辑


13.对于氧化锌避雷器等小电容试品一般通过测压电阻放电时间很快。而对电缆等大电容试品一般要待试品电压自放电至试验电压的20%以下,中试控股再通过配套的放电棒进行放电。待试品充分放电后挂好接地线,才允许进行高压引线的拆除和更换接线工作。

14.保护动作后的操作

在使用过程中发现绿灯灭,红灯亮,电压下降,即为有关保护动作。此时应关闭电源开关,面板指示灯均不亮。将调压电位器退回零位,一分钟后待机内低压电容器充分放电后才允许再次打开电源开关。重新进行空载试验并查明情况后可再次升压试验。


 

 

 

 

 

 

 

 

销售热线

  • 400-046-1993全国统一服务热线
  • 销售热线:027-83621138
  • 售后专线:027-83982728
  • 在线QQ咨询: 149650365      
  • 联系我们

 

增值服务

  • 三年质保,一年包换,三个月试用

 

 

 

 


 

版权所有:湖北中试高测电气控股有限公司 鄂TCP备12007755号