首页 > 新闻中心 > 服务支持<

服务支持
低压配电系统接地保护原理和特点
时间:2020-06-15

从系统安全的意义讲,电气火灾的发生正是由于系统不能正常协调运行,以至故障产生后未能及时切除,防止火灾的保护作用未能正常发挥。因此,选择正确的接地形式,构成合理有效的低压配电系统对防止电气火灾的发生十分重要。从低压配电系统接地保护看,常见的有下列几种形式及特点:
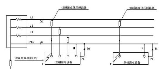
1.TN-C-S系统。
如图1所示,又称四线半系统。其特点是末级供电变压器中性点直接接地,供电线路在进入建筑前由四根线路(L1,L2,L3,PEN)组成,四线的末端(一般是在进入建筑处)将PEN线分为中性线N和保护干线PE(并采用重复接地措施),分开后不再合并。系统利用安装熔断器或断路器与线径的配合实现相线之间、相线与中性线之间短路或过负载保护(过流保护);用电设备的外露可导电部分通过自身的PE线接到PE干线上,当绝缘失效,发生常见的相线与设备外露可导电部分相接触时(接地故障之一),短路电流Id可通过PE线使保护装置动作并使外壳对地电压降低,从而实现保护。

 

图1 TN-C-S系统原理图▲
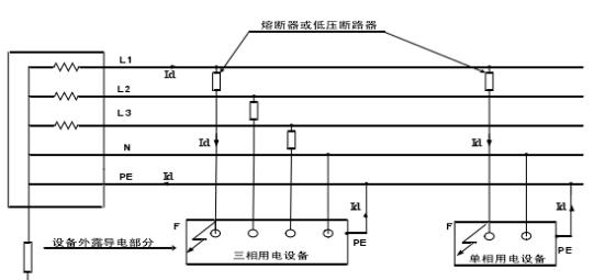
2.TN-S系统。
如图2所示,又称五线制系统。其特点是系统始终保持三根阳线L1,L2,L3,一根中性线N及一根保护干线PE线供电,保护原理与TN-C-S系统基本相同。

 

图2 TN-S系统原理图▲
3.TN-C系统
如图3所示,又称四线制系统。与TN-C-S系统的差别是PEN线进入建筑后不分开,系统内短路、过负载保护与TN-C-S系统基本相同,不同的是,其用电设备的外露可导电部分通过自身的PE线接到PEN线上实现接地故障保护。

 

图3 TN-C系统原理图▲
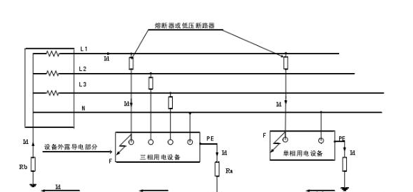
4.TT系统
如图4所示。与TN系统不同的是,用电设备的外露可导电部分通过各自的PE线接地实现接地故障保护。

 

图4 TT系统原理图▲
以上各种接地形式系统具有各自的特点,分别适用于不同的场合TN-C系统过去是我国低压配电系统中广泛采用的系统,在这个系统中,由于中性线与保护线合二为一,可节省线路投资。但如果PEN断线,可使接于PEN线的设备外露可导电部分带电,对人产生触电危险。在现在安全要求较高的民用建筑中己不再采用了。
TN-S系统的中性线与保护线是分开的,正常工作时,PE线上没有电流,当相线与设备外露可导电部分发生接触时,短路电流可通过PE线使保护装置动作,从而实现保护。该系统目前广泛应用于对安全要求较高的民用建筑中。
TN-C-S系统的优点与TN-S系统相同,也较多用于民用建筑。
对于TT系统,当外壳出现接地故障时,电气设备容量较大就可能出现短路电流Id小于熔断器熔体的额定电流的情况。此时熔体不熔断,故障长期存在,从而电气设备持续发热,有可能引发电气火灾。所以,在TT系统中,只有各设备的可靠接地及合理选择接地电阻参数,才能使该系统安全运行。

 

 

 

 

 

 

 

 

 

销售热线

  • 400-046-1993全国统一服务热线
  • 销售热线:027-83621138
  • 售后专线:027-83982728
  • 在线QQ咨询: 149650365      
  • 联系我们

 

增值服务

  • 三年质保,一年包换,三个月试用

 

 

 

 


 

版权所有:湖北中试高测电气控股有限公司 鄂TCP备12007755号