首页 > 新闻中心 > 服务支持<

服务支持
断路器操作箱防跳回路
时间:2019-10-10

由于断路器的本体防跳要依靠位置辅助接点的正确切换来进行启动,因此就必须考虑设计一种不受断路器位置辅助接点影响的防跳回路来进行弥补,从而就出现了断路器操作箱防跳回路。

断路器操作箱防跳功能设计思路也是隔离正电源,为了不使用断路器的位置辅助接点,故采用操作箱的跳闸接点启动。断路器合闸时,断路器的合闸控制回路就接收到遥控或保护给合闸脉冲时,让断路器合上。断路器合上以后,合于故障时,跳闸接点闭合,断路器防
跳回路被启动,通过操作箱的防跳回路使装置的内部接点发生变化,从而断开操作箱中的断路器合闸回路,隔离正电源的接入,实现了断路器的防跳。

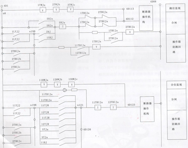
CZX-22R1操作箱防跳回路设置于断路器操作箱的分、合闸回路中,分、合闸回路如图2。

断路器操作箱防跳回路

图2、CZX-22R1操作箱断路器分、合闸回路图

跳位保持继电器( TBIJ)动作,在启动跳闸保持回路的同时,接于跳位保持继电器(TBUJ)回路跳位保持继电器的(TBIJ)常开接点也闭合。如果此时合闸接点(包括手合或遥合或重合闸)是闭合的,则跳位保持继电器(TBUJ)线圈带电,并且串于其线圈回路的跳位保持继电器(TBUJ)常开接点闭合,构成一自保持回路。接于合闸线圈回路的跳位保持继电器( TBUJ)常闭接点打开,切断合闸回路。

整个回路主要有两点:

(1)断路器防跳功能是在跳闸时才启动的,通过跳位保持继电器( TBIJ)来启动,如果跳位保持继电器(TBIJ)跳闸保持没有启动,则也不能启动防跳。

(2)跳位保持继电器(2TBUJ)一旦启动后,通过自身的保持回路自保持,这样虽然断路器跳开后TBIJ会返回,1TBUJ接点也会返回,但防跳回路仍然会起作用,直到合闸接点(SHJ或ZHJ)打开,跳位保持继电器(2TBUJ)才会返回。

根据本文断路器操作箱防跳回路分析中试控股推荐使用断路器安秒特性测试仪断路器安秒特性测试仪满足直流断路器的超载和短路特性测试、避免直流配电网络出现越级跳闸。断路器安秒特性测试仪适用于额定电流1A~500A直流断路器的安秒特性测试,并可用于6A~100A直流熔断器的安秒特性测试。直流断路器安秒特性测试仪采用独立电源处理技术,高性能工控机、大尺寸液晶屏,配合键盘、 触摸板输入,操作简单、使用方便,适用于变电站现场测试。

 

 

 

 

 

 

 

 

销售热线

  • 400-046-1993全国统一服务热线
  • 销售热线:027-83621138
  • 售后专线:027-83982728
  • 在线QQ咨询: 149650365      
  • 联系我们

 

增值服务

  • 三年质保,一年包换,三个月试用

 

 

 

 


 

版权所有:湖北中试高测电气控股有限公司 鄂TCP备12007755号