首页 > 新闻中心 > 服务支持<

服务支持
三绕组变压器电压变比测试
时间:2019-10-10

三相电力变压器电压变比校验与联结组别有着联系,电压比电桥在变比试验的同时,可进行联结组别试验,因不受电源稳定程度的限制,所以具有试验电压低、安全,准确度和灵敏度高等优点。对于国家标准联结组别,电压比电桥,有着固定的接线测试回路,但其它接线则需变换相应试验端子与电桥的连接和极性。变换的原则是高压励磁相与低压测量相在相同的铁心柱上,这一原则也是任何一种变压比试验方法需遵循的原则。中试控股是变压器电压变比测试仪生产厂家,变比测试仪在业内使用广泛,购买变压器电压变比测试仪请认证中试控股变比测试仪的实用性深受用户好评,畅销国内。

现以较特殊的YN,dll,y10三绕组变压器为例(见图l),分析其校验方法、从图中可见,UAmBe1滞后U’AB330°,属y,dll组,U’ab滞后U'AB300°,属于Y,dl0组,同样,U’ab滞后U’AmBm330°,属于d,y11组。现将三组分别予以分析。

三绕组变压器电压变比测试

1、y,d11组即高压对中压测试,接线见图2,高压侧AB励磁,构成AX和YB串联,中压侧将组别开关Bm(Cm)短路,因此,AmXm与YmBm并联。电压比K=(2U1/√3)/U2,极性为减极性,式中的U1为高压侧电压,U2为中压侧电压。对于另外两相测量与AB相同。

三绕组变压器电压变比测试

需注意的是,高压侧非励磁相就是中压侧的短路相。

2、Y,y10组即高压对低压测试,接线见图3。从图3中可以看出,高压A相与低压c相绕组,高压B相与低压a相绕组、高压C相与低压b相绕组是各套在同一铁心柱上。根据高压励磁相与低压测量相需在相同铁芯上的原则,必须将低压侧接线端进行变换,即电桥上aq、bq、cq在变压器低压侧c、a、b上。高压侧AB励磁,构成AX与YB串联,低压侧cx和xb串联(实际上是A柱低压侧与B柱低压侧串联)。电压比K=U1/U3,极性为加极性,式中的U3为低压侧电压,对于其它两相测量与AB相同。

三绕组变压器电压变比测试

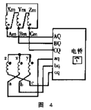
3、d,y11组即中压对低压测试,接线见图4。当AmBm励磁时,低压侧所对应是ab相,也即B柱和C柱,根据高压励磁相与低压测量相需在相同铁芯上的原则,必须将组别开关AmCm短路,构成BmYm与ZmCm(Am)并联,而低压侧为ax与yb串联(见图5)。电压变比K=U2/(2U3/√3),极性为减极性。其它两相测量与AmBm相同。

三绕组变压器电压变比测试

三绕组变压器电压变比测试

根据《电力变压器试验导则》关于三绕组变压器至少在两对绕组上分别进行电压比测量的规定,试验人员可依上述分析原理,灵活应用在其它联结组别的变压器上,以达到简便的测试方法。

 

 

 

 

 

 

 

 

销售热线

  • 400-046-1993全国统一服务热线
  • 销售热线:027-83621138
  • 售后专线:027-83982728
  • 在线QQ咨询: 149650365      
  • 联系我们

 

增值服务

  • 三年质保,一年包换,三个月试用

 

 

 

 


 

版权所有:湖北中试高测电气控股有限公司 鄂TCP备12007755号