首页 > 新闻中心 > 服务支持<

服务支持
电能表现场检验方法
时间:2019-09-28

电能表现场检验区别

电能表现场检验方法是指在电能表不拆卸,不断电,不影响正常运行的情况下进行电能表的误差检验工作,通常我们采用的是电能表现场校验仪,其最大的特点是操作简单、便携性好,相对于三相电能表检验装置,功能简单,效率低,电能表现场校验仪只适用于电能表现场检验。

电能表的发展

从十九世纪法拉第发现电磁感应定律开始,随着电能在生产生活中的应用和技术的发展和成熟,电能已经成为当代社会的通用能源。电看不见摸不着,那么在电能投入使用之前,如何度量电能以及如何收费。电能表的出现有效的解决了这一问题。随着科学技术的发展从最初的感应式电表到了现在的智能电子式电表。

电能表现场校验仪测试对象

根据实际使用情况大多数电能表都安装在室外或者楼道。由于各种环境、人为、供电等因数的影响,都有可能影响电能表的误差精度。那么定期现场校验电能表也是不可避免的,下面就介绍一下三相电能表现场校验仪如何使用。

接线方法及测量原理简介

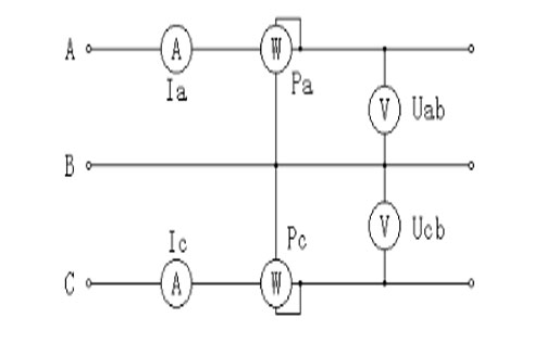
三相三线制测量是指使用两个功率元件实现对三相线路的测量,相当于在电路中分别接入两只电流表(串联在A、C两相)、两只电压表(分别并联在AB之间和CB之间)和两只功率表(电流线圈串联在A、C相,电压线圈并联在AB和CB之间),其测量原理如图所示

电能表现场校验仪接线方法

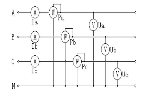
三相四线制测量是指使用三个功率元件实现对三相线路的测量,相当于在电路中分别接入三只电流表(分别串联在A、B、C三相)三只电压表(分别并联在A、B、C各相对N相之间)和三只功率表(电流线圈分别串联在A、B、C相,电压线圈分别并联在A、B、C对N之间),其测量原理如图所示

电能表现场校验仪三相四线接线方法

试验前设置好测试所需要确定参数数据。包括:PT变比、CT变比、电表常数、设定圈数、接线方式、输入方式、电流输入、设置日期、设置时间、电表编号然后进行测量。

电能表现场校验仪可以在不停电、不改变计量回路、不打开计量设备情况下,在线精确测量电压,电流,有功功率,无功功率,相角,功率因数,频率等多种电参量,从而计算出电能表综合误差。

 

 

 

 

 

 

 

 

销售热线

  • 400-046-1993全国统一服务热线
  • 销售热线:027-83621138
  • 售后专线:027-83982728
  • 在线QQ咨询: 149650365      
  • 联系我们

 

增值服务

  • 三年质保,一年包换,三个月试用

 

 

 

 


 

版权所有:湖北中试高测电气控股有限公司 鄂TCP备12007755号