首页 > 新闻中心 > 电力技术<
中试控股技术研究院鲁工为您讲解:送电投运前对电缆进行现场交流耐压检测仪(30年老厂)
中试控股 / 大品牌的品质保证
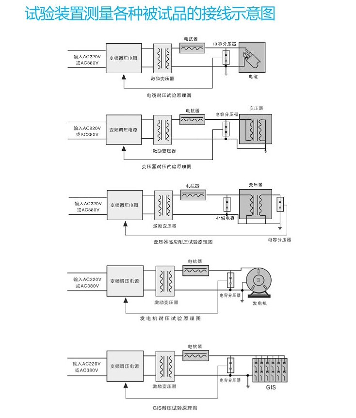
ZSBP变频串联谐振耐压试验装置适用电压等级:6kV、10kV、35kV、66kV、110kV、220kV、330kV、500kV、750kV、1000kV,也可以定制不同的电压等级规格。
变频串联谐振耐压试验装置可以做什么:针对电力电缆、变压器、断路器/开关、开关柜、避雷器、电压互感器、电流互感器、套管、支柱绝缘子、电抗器、母线、隔离开关、输电线路、发电机、电动机、熔断器、电容器、隔离开关、接触器、配电箱、绝缘材质、变电站系统的交流耐压试验。
组成部分:变频电源主机、激励变压器、电抗器、电容分压器、补偿电容器、测试附件组成 | 参考标准:DL/T 474.4-2018
中试控股始于1986年 ▪ 30多年专业制造 ▪ 国家电网.南方电网.内蒙电网.入围合格供应商
适用以下电缆的交流耐压试验:
电力电缆、控制电缆、补偿电缆、屏蔽电缆、高温电缆、计算机电缆、信号电缆、同轴电缆、耐火电缆、船用电缆、矿用电缆、铝合金电缆、电器装备用电线电缆、RVVP表示:铜芯聚氯乙烯绝缘屏蔽聚氯乙烯护套软电缆电压300V/300V 2-24芯;
RG表示:物理发泡聚乙烯绝缘接入网电缆用于同轴光纤混合网中传输数据模拟信号;
UTP表示:局域网电缆;
KVVP为:聚氯乙烯护套编织屏蔽电缆,SYWV(Y)、SYKV 有线电视、宽带网专用电缆;
RVV表示:聚氯乙烯绝缘软电缆;
AVVR表示:聚氯乙烯护套安装用软电缆;
RV、RVP表示:聚氯乙烯绝缘电缆;
BV、BVR表示:聚氯乙烯绝缘电缆;
KVV表示:聚氯乙烯绝缘控制电缆等。
如何选择合适的变频串联谐振耐压试验装置?
为了选对规格,请提供以下技术参数
1、电力变压器:电压等级,大容量,试验性质(中性点耐压或全绝缘耐压)单相对地电容量;
2、电力电缆:电压等级,大长度,截面积;
3、发电机、电动机:电压等级(出口电压或称工作电压),试验电压(耐压值)单相对地电容量范围(如0.2-0.55uF等);
4、开关、绝缘子、PT、CT、绝缘工器具、母线:电压等级(或称工作电压);试验电压(耐压值);
5、CVT效验:电压等级或称工作电压,试验电压(耐压值)电容量范围(如0.005-0.02uF)。
ZSBP-135kVA/108kV变频串联谐振试验装置
一、适用范围
1、35kV/300mm2电缆1km的交流耐压试验,电容量≤0.1945uF,试验频率30~300Hz,试验电压52kV,试验时间60min。
2、35kV主变的交流耐压试验,电容量≤0.015uF,试验频率45~65Hz,试验电压不超过75kV,试验时间1min。
3、10kV/300mm2电缆3km的交流耐压试验,电容量≤1.1265uF,试验频率30~300Hz,试验电压22kV,试验时间5min。
4、35kV开关、互感器的交流耐压试验,试验频率30~300Hz,试验电压不超过100kV,试验时间1min。
5、10kV主变的交流耐压试验,电容量≤0.015uF,试验频率45~65Hz,试验电压不超过50kV,试验时间1min。
二、工作环境
1.环境温度:-10℃ –50℃;
2.相对湿度:≤90%RH;
3.海拔高度: ≤3000米;
三、装置主要技术参数及功能
1.额定容量:135kVA;
2.输入电源:单相220或三相380V电压,频率为50Hz;
3.额定电压:27kV; 54kV;108kV;
4.额定电流: 5A;2.5A; 1.25A;
5.工作频率:30~300Hz;
6.装置输出波形:正弦波
7.波形畸变率:输出电压波形畸变率≤1%;
8.工作时间:额定负载下允许连续60min;过压1.1倍1分钟;
9.温 升:额定负载下连续运行60min后温升≤65K;
10.品质因素:装置自身Q≥30(f=45Hz);
11.保护功能: 对被试品具有过流、过压及试品闪络保护(详见变频电源部分);
12.测量精度:系统有效值1.5级;
四、设备遵循标准
GB10229-88 《电抗器》
GB1094 《电力变压器》
GB50150-2016 《电气装置安装工程电气设备交接试验标准》
DL/T 596-1996 《电力设备预防性试验规程》
GB1094.1-GB1094.6-96 《外壳防护等级》
GB2900 《电工名词术语》
GB/T16927.1~2-1997 《高电压试验技术》
35kV/300mm2电缆1km 使用电抗器两节串联
两组并联 3kV ≤52kV
35kV主变 使用电抗器三节串联
及补偿电容器 6kV ≤75kV
10kV主变 使用电抗器两节串联
及补偿电容器 3kV ≤50kV
10kV/300mm2电缆3km 使用电抗器四节并联 1.5kV ≤22kV
35kV开关、互感器 使用电抗器四节串联 6kV ≤100kV
六、系统配置及其参数
1、激励变压器ZSB-7.5kVA 1台
a)额定容量:7.5kVA;
b)输入电压:0-400V,单相;
c)输出电压:1.5/3/6kV
d)结 构:干式;
e)重 量:约55kg;
2、变频电源ZSXB-F -7.5kW/220/380V 1台
a)额定输出容量:7.5kW
b)工作电源: 220/380±10%V(单/三相),工频
c)输出电压:0 –400V,单相,
d)额定输入电流:18.75A
e)额定输出电流:18.75A
f)电压分辨率: 0.01kV
g)电压测量精度:1.5%
h)频率调节范围:30 – 300Hz
i)频率调节分辨率:≤0.1Hz
j)频率稳定度: 0.1%
k)运 行 时 间:额定容量下连续60min
l)额定容量下连续运行60min元器件最高温度≤65K;
m)噪 声 水 平:≤50dB
n)可实现以下功能
1)变频电源的放置为纵向和横向,特别适合现场操作及观察;
2)内外部具备特殊减震橡胶支撑脚和保护铝箱,可有效减缓运输中的颠簸震动和吊装时的冲击。保证了变频电源的长期稳定性和可靠性;
3)参数显示:触摸或外接鼠标大屏幕液晶界面显示系统
可显示谐振电压(即试验前设置的目标电压)、试验频率、测量频率、低压电压、低压电流、耐压时间、过压保护、过流保护、闪络保护、阶段升压及阶段计时、操作模式切换、电容,电感,频率互换计算、参数查询等, 还可显示频率曲线、电压曲线等可直观地判断当次试验谐振频率准确及稳定性;
4)参数设置:大屏幕触摸液晶彩屏和外接鼠标直接完成各种参数的设置,可对起始频率、终止频率、起始电压、阶段升压和计时、测量分压器变比、激励变变比、过压保护、过流保护、闪络保护、试验模式、电容电感频率互换计算、参数设置提示以及帮助等参数进行设置或选择;
5)试验模式:触摸屏和外接鼠标操作,有全自动、半自动、手动三种运行状态。具备升压、调谐(含手动、自动)、分段加压和计时、运行状态、模式切换、故障提示、电容电感频率互换计算功能等;
6)保护功能及其信息提示:具备高压过压保护、低压过流、过流保护,以及失谐保护、零位、闪络保护、紧急停机、欠压保护等多重保护功能;
7) 数据存储功能:试验结果保存(手动保存)、打印、上传、回查等
① 试验结果:手动或自动试验完毕后,在试验结果界面中可显示出试验时的详细参数,当试验发生中断时,可提示中断状态。可将参数保存在存储器中,该存储器为非易失存储器,可保存50次试验记录;
② 数据查询:可将已保存的试验结果数据显示到屏幕上,同时具有USB接口,可将数据输出打印或利用设备所携带打印机打印;(打印机属客户自选,若客户有此需求,须在合同中予以特别写明)
8)自动稳压功能:系统根据设定的试验电压或手动升压结果,自动跟踪并维持稳定的试验电压,电压稳定度可达1.0%;
9)调频范围及频率分辨率均可设定:调频范围可设为30~300Hz、45~100Hz、200-300Hz、按需设置,可加快调谐过程;频率分辨率根据需要,可预设为0.1Hz、0.2Hz、0.5Hz、或1.0Hz,在调谐效率与调谐精准度之间取得优化平衡;
10)频率调节分为粗调和细调,并可自动寻找试验谐振点,保证谐振频率在整个试验过程中不发生漂移;
P)重 量:约12kg;
3、高压电抗器ZSDK-33.75kVA/27kV 4节
a)额定容量:33.75kVA;
b)额定电压:27kV;
c)额定电流:1.25A;
d)电 感 量:100H/单节;
e)品质因素:Q≥30 (f=45Hz);
f)结 构:干式;
g)重 量:约40kg;
4、电容分压器FRC-110kV/1000pF 1套
a)额定电压:110kV;
b)高压电容量:1000pF;
c)介质损耗:tgσ≤0.5%;
d)分 压 比:1500:1
e)测量精度:有效值1.5级;
f)重 量:约15kg;
5、补偿电容器ZSBC-70kV/10000pF 1套
g)额定电压:70kV/35kV;
h)高压电容量:10000pF/20000pF;
i)重量:15kg


中试控股践行“精细制造,深耕技术”产出变频串联谐振耐压成套试验装置优质产品能够在市场中赢得用户信赖,树立中试控股新形象打下了坚实的根底。











串联谐振在电力系统中应用的优点:
●所需电源容量大大减小.串联谐振电源是利用谐振电抗器和被试品电容谐振产生高电压和大电流的,在整个系统中,电源只需要提供系统中有功消耗的部分,因此,试验所需的电源功率只有试验容量的1/Q.
●设备的重量和体积大大减少.串联谐振电源中,不但省去了笨重的大功率调压装置和普通的大功率工频试验变压器,而且,谐振激磁电源只需试验容量的1/Q,使得系统重量和体积大大减少,一般为普通试验装置的1/10-1/30.
●改善输出电压的波形.谐振电源是谐振式滤波电路,能改善输出电压的波形畸变,获得很好的正弦波形,有效的防止了谐波峰值对试品的误击穿.
●防止大的短路电流烧伤故障点.在串联谐振状态,当试品的绝缘弱点被击穿时,电路立即脱谐,回路电流迅速下降为正常试验电流的1/Q.而并联谐振或者试验变压器方式做耐压试验时,击穿电流立即上升几十倍,两者相比,短路电流与击穿电流相差数百倍.所以,串联谐振能有效的找到绝缘弱点,又不存在大的短路电流烧伤故障点的忧患.
●不会出现任何恢复过电压.试品发生击穿时,因失去谐振条件,高电压也立即消失,电弧即刻熄灭,且恢复电压的再建立过程很长,很容易在再次达到闪络电压前断开电源,这种电压的恢复过程是一种能量积累的间歇振荡过程,其过程长,而且,不会出现任何恢复过电压.

上一篇:电缆耐受电压规定检测仪
快速跳转